redis 底层数据结构
发布时间:2021-12-16 11:01:39编辑:admin
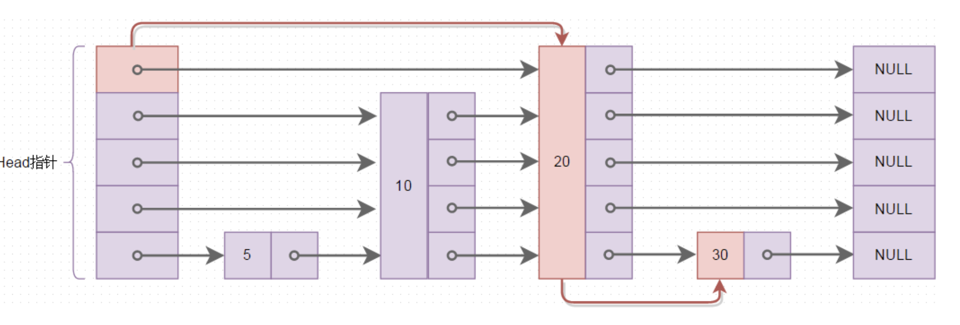
有序集合
跳跃表(skiplist)是一种有序数据结构,它通过在每个节点中维持多个指向其它节点的指针,从而达到快速访问节点的目的。具有如下性质:
由很多层结构组成;
每一层都是一个有序的链表,排列顺序为由高层到底层,都至少包含两个链表节点,分别是前面的head节点和后面的nil节点;
最底层的链表包含了所有的元素;
如果一个元素出现在某一层的链表中,那么在该层之下的链表也全都会出现(上一层的元素是当前层的元素的子集);
链表中的每个节点都包含两个指针,一个指向同一层的下一个链表节点,另一个指向下一层的同一个链表节点;
Redis中跳跃表节点定义如下:
1 2 3 4 5 6 7 8 9 10 11 12 13 14 15 16 17 | typedef struct zskiplistNode { //层 struct zskiplistLevel{ //前进指针 struct zskiplistNode *forward; //跨度 unsigned int span; }level[]; //后退指针 struct zskiplistNode *backward; //分值 double score; //成员对象 robj *obj; } zskiplistNode |
多个跳跃表节点构成一个跳跃表:
1 2 3 4 5 6 7 8 9 | typedef struct zskiplist{ //表头节点和表尾节点 structz skiplistNode *header, *tail; //表中节点的数量 unsigned long length; //表中层数最大的节点的层数 int level; }zskiplist; |
搜索:从最高层的链表节点开始,如果比当前节点要大和比当前层的下一个节点要小,那么则往下找,也就是和当前层的下一层的节点的下一个节点进行比较,以此类推,一直找到最底层的最后一个节点,如果找到则返回,反之则返回空。
插入:首先确定插入的层数,有一种方法是假设抛一枚硬币,如果是正面就累加,直到遇见反面为止,最后记录正面的次数作为插入的层数。当确定插入的层数k后,则需要将新元素插入到从底层到k层。
删除:在各个层中找到包含指定值的节点,然后将节点从链表中删除即可,如果删除以后只剩下头尾两个节点,则删除这一层。
字符串
Redis的字符串,不是 C 语言中的字符串,它是自己构建了一种名为 简单动态字符串(simple dynamic string,SDS)的抽象类型,并将 SDS 作为 Redis的默认字符串表示
SDS定义:
1 2 3 4 5 6 7 8 9 | struct sdshdr{ //记录buf数组中已使用字节的数量 //等于 SDS 保存字符串的长度 int len; //记录 buf 数组中未使用字节的数量 int free; //字节数组,用于保存字符串 char buf[];} |
用SDS保存字符串 “Redis”具体图示如下:
SDS 数据类型的定义:
- len 保存了SDS保存字符串的长度
- buf[] 数组用来保存字符串的每个元素
- free j记录了 buf 数组中未使用的字节数量
列表
链表是一种常用的数据结构,C 语言内部是没有内置这种数据结构的实现,所以Redis自己构建了链表的实现
链表定义:
1 2 3 4 5 6 7 8 | typedef struct listNode{ //前置节点 struct listNode *prev; //后置节点 struct listNode *next; //节点的值 void *value; }listNode |
通过多个listNode结构组成列表,这是一个双向列表
1 2 3 4 5 6 7 8 9 10 11 12 13 14 | typedef struct list{ //表头节点 listNode *head; //表尾节点 listNode *tail; //链表所包含的节点数量 unsigned long len; //节点值复制函数 void (*free) (void *ptr); //节点值释放函数 void (*free) (void *ptr); //节点值对比函数 int (*match) (void *ptr,void *key);}list; |
Redis链表特性:
- 双端:链表具有前置节点和后置节点的引用,获取这两个节点时间复杂度都为O(1)。
- 无环:表头节点的 prev 指针和表尾节点的 next 指针都指向 NULL,对链表的访问都是以 NULL 结束。
- 带链表长度计数器:通过 len 属性获取链表长度的时间复杂度为 O(1)。
- 多态:链表节点使用 void* 指针来保存节点值,可以保存各种不同类型的值。
字典
字典又称为符号表或者关联数组、或映射(map),是一种用于保存键值对的抽象数据结构。字典中的每一个键 key 都是唯一的,通过 key 可以对值来进行查找或修改。C 语言中没有内置这种数据结构的实现,所以字典依然是 Redis自己构建的。
哈希表结构定义
1 2 3 4 5 6 7 8 9 10 11 12 | typedef struct dictht{ //哈希表数组 dictEntry **table; //哈希表大小 unsigned long size; //哈希表大小掩码,用于计算索引值 //总是等于 size-1 unsigned long sizemask; //该哈希表已有节点的数量 unsigned long used; }dictht |
- 哈希表是由数组 table 组成,table 中每个元素都是指向 dict.h/dictEntry 结构,dictEntry 结构定义如下:
1 2 3 4 5 6 7 8 9 10 11 12 13 | typedef struct dictEntry{ //键 void *key; //值 union{ void *val; uint64_tu64; int64_ts64; }v; //指向下一个哈希表节点,形成链表 struct dictEntry *next;}dictEntry |
key 用来保存键,val 属性用来保存值,值可以是一个指针,也可以是uint64_t整数,也可以是int64_t整数。
注意这里还有一个指向下一个哈希表节点的指针,我们知道哈希表最大的问题是存在哈希冲突,如何解决哈希冲突,有开放地址法和链地址法。这里采用的便是链地址法,通过next这个指针可以将多个哈希值相同的键值对连接在一起,用来解决哈希冲突。
